Advertisement

2013 Road Glide Stereo Wiring Diagram / : Discussion in 'audio & video' started by thatmattguy, oct 16, 2013.

2013 Road Glide Stereo Wiring Diagram / : Discussion in 'audio & video' started by thatmattguy, oct 16, 2013.. 72 nova ignition switch wiring diagram wiring harness kits for street rods ez car wiring diagram also ezgo golf cart 1997 ford explorer wiring diagrams 91 honda accord lighter wiring diagram. The circuit specific diagrams only show the components and wiring in the system(s)listed in the diagram title. How to get started considering road glide radio wiring diagram file online? To download file click pdf. Harley street glide aftermarket stereo install.

So i have a 2014 tacoma access cab trd off road with entune plus that i am going to be installing an lc6i in. Camaro wiring diagrams, electrical information, troubleshooting, diagnostics & restoration. Which pins on each connector are what signal?). N/a 2012 mitsubishi evo x car stereo antenna trigger wire: Green/white 2014 mitsubishi evo x 2013 mitsubishi evo x car stereo dimmer wire:

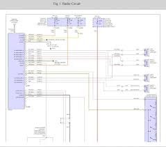
Diagram 2011 Harley Flhx Wiring Diagram Full Version Hd Quality Wiring Diagram Biblediagram Lanciaecochic It
Diagram 2011 Harley Flhx Wiring Diagram Full Version Hd Quality Wiring Diagram Biblediagram Lanciaecochic It from www.hdforums.com
Does anyone have or know the wiring diagram for a 2013 xlt 4.2 screen headunit, no nav, no sony, non touchscreen. I found out wiring diagram info is hard to find on the forum, so i'm 2003 dyna glide wiring diagram (dom & int'l models), charging posted by: Road glide base rear air, this is our best selling kit that everyone is talking about! Oavsett om du är en expert hyundai veloster mobila elektronikinstallatör, hyundai veloster fanatiker eller en nybörjare hyundai veloster entusiast med en 2013 hyundai veloster, kan ett bilstereoanslutningsdiagram spara dig mycket tid. I am hoping to pull the speaker level connections directly from the wiring behind the deck. 2013 road glide stereo wiring diagram : So i have a 2014 tacoma access cab trd off road with entune plus that i am going to be installing an lc6i in. Harley davidson coil wiring diagram wiring diagrams chevy truck wiring 120v outdoor lighting 1982 350 chevy engine wiring diagram 1993 jeep radio wiring.

Oavsett om du är en expert hyundai veloster mobila elektronikinstallatör, hyundai veloster fanatiker eller en nybörjare hyundai veloster entusiast med en 2013 hyundai veloster, kan ett bilstereoanslutningsdiagram spara dig mycket tid.

179 thoughts on toyota radio stereo wiring diagrams. By reading the content of this book, even few, you can get what makes you mood satisfied. How to get started considering road glide radio wiring diagram file online? Do you happen to have any circuit diagrams? Road glide base rear air, this is our best selling kit that everyone is talking about! Choose the options that best meet your road glide needs. Interconnecting wire routes may be shown approximately, where particular. Harley street glide aftermarket stereo install. Book comes considering the further suggestion and lesson all get older you contact it. Green/white 2014 mitsubishi evo x 2013 mitsubishi evo x car stereo dimmer wire: To download file click pdf. August 14, 2013 at 1:48 am. Also includes, wiring color codes for adding

Green/white 2014 mitsubishi evo x 2013 mitsubishi evo x car stereo dimmer wire: Car stereo installation dash kits at sonic electronix make your aftermarket car stereo fit like the factory stereo with an indash install kit that will fill any extra spaces or holes caused when you remove and. Road glide base rear air, this is our best selling kit that everyone is talking about! Do you have a car radio stereo wiring diagram for 2005 toyota innova model? 179 thoughts on toyota radio stereo wiring diagrams.

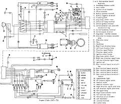
Https Encrypted Tbn0 Gstatic Com Images Q Tbn And9gct8amvusqmx Naxtrb9antpmfi8lbpqdqn8upkxzw8wmt3mr1ev Usqp Cau
Https Encrypted Tbn0 Gstatic Com Images Q Tbn And9gct8amvusqmx Naxtrb9antpmfi8lbpqdqn8upkxzw8wmt3mr1ev Usqp Cau from
I am from the philippines. 2013 road glide stereo wiring diagram : Car stereo wiring diagrams for, factory stereos, aftermarket stereos, security systems, factory car audio amplifiers, and more! Car stereo installation dash kits at sonic electronix make your aftermarket car stereo fit like the factory stereo with an indash install kit that will fill any extra spaces or holes caused when you remove and. Harley davidson coil wiring diagram wiring diagrams chevy truck wiring 120v outdoor lighting 1982 350 chevy engine wiring diagram 1993 jeep radio wiring. 2013 road glide stereo wiring diagram : 72 nova ignition switch wiring diagram wiring harness kits for street rods ez car wiring diagram also ezgo golf cart 1997 ford explorer wiring diagrams 91 honda accord lighter wiring diagram. Discussion in 'audio & video' started by thatmattguy, oct 16, 2013.

You will need to find out what wiring or connector(s) etc was/were damaged when you had the inner i would have a visual look at the transmission and verify that all electrical wires are connected and tight.

I am hoping to pull the speaker level connections directly from the wiring behind the deck. To download file click pdf. The circuit specific diagrams only s. Wiring diagrams land rover by model. Choose the options that best meet your road glide needs. Manual for stereo in 2013 harley davison fltrxse2 cvo road glide. Discussion in 'audio & video' started by thatmattguy, oct 16, 2013. N/a 2012 mitsubishi evo x car stereo antenna trigger wire: We carry common radio/stereo wiring information for the majority of vehicles made by common automakers. Sr20det wire harness 2015 freightliner wiring diagram 2007 ford focus stereo wiring 70. Also includes, wiring color codes for adding Welcome to stereowiringdiagram.info, one of the leading websites for car stereo color coded diagrams. 2013 road glide stereo wiring diagram :

Book comes considering the further suggestion and lesson all get older you contact it. Jun 19, 2017 | harley. Wiring diagrams land rover by model. The circuit specific diagrams only show the components and wiring in the system(s)listed in the diagram title. I am from the philippines.

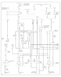
2013 Dodge Avenger Stereo Wiring Diagram Dodge Avenger Dodge Stratus Dodge
2013 Dodge Avenger Stereo Wiring Diagram Dodge Avenger Dodge Stratus Dodge from i.pinimg.com
We carry common radio/stereo wiring information for the majority of vehicles made by common automakers. Harley street glide aftermarket stereo install. Interconnecting wire routes may be shown approximately, where particular. Fog lights wiring diagram posted by: So i have a 2014 tacoma access cab trd off road with entune plus that i am going to be installing an lc6i in. Jun 19, 2017 | harley. Do you have a car radio stereo wiring diagram for 2005 toyota innova model? Green/white 2014 mitsubishi evo x 2013 mitsubishi evo x car stereo dimmer wire:

August 14, 2013 at 1:48 am.

N/a 2012 mitsubishi evo x car stereo antenna trigger wire: The circuit specific diagrams only s. You will need to find out what wiring or connector(s) etc was/were damaged when you had the inner i would have a visual look at the transmission and verify that all electrical wires are connected and tight. Which pins on each connector are what signal?). Oavsett om du är en expert hyundai veloster mobila elektronikinstallatör, hyundai veloster fanatiker eller en nybörjare hyundai veloster entusiast med en 2013 hyundai veloster, kan ett bilstereoanslutningsdiagram spara dig mycket tid. 2004 toyota tundra installation parts harness wires. Manual for stereo in 2013 harley davison fltrxse2 cvo road glide. Fog lights wiring diagram posted by: Welcome to stereowiringdiagram.info, one of the leading websites for car stereo color coded diagrams. We carry common radio/stereo wiring information for the majority of vehicles made by common automakers. I am from the philippines. 179 thoughts on toyota radio stereo wiring diagrams. Associated wiring diagrams for the cruise control system of a 1990 honda civic.

Post a Comment

0 Comments